VFD Bypass DOL Starter – Power, Wiring and Control Circuits
How to Bypass a VFD and Run a Three-Phase Motor Using DOL Starter?
Variable Frequency Drives (VFDs) have become a cornerstone technology in modern industrial applications, providing precise control over motor speeds and energy efficiency. However, there are situations where a motor might need to operate without the VFD, necessitating the use of a Direct-On-Line (DOL) starter for bypassing the VFD. In this article, we will show how to bypass a VFD and run the Motor through DOL starter using switches and 8-PIN DPDT power relay with the help of power and control wiring diagrams.
VFD
VFDs (Variable Frequency Drives) are electronic devices that control the speed and torque of an AC induction motor by adjusting the frequency and voltage of the power supplied to the motor. This precise control helps in reducing energy consumption, improving process control, and extending motor lifespan.
Direct-On-Line (DOL) Starter
DOL (Direct On-Line Starters) are widely used for direct starting of motors. They consist of a contactor and overload relay that provide a simple and cost-effective way to start a motor at its full load current. However, starting motors directly can lead to higher inrush currents and mechanical stresses.
The Need for VFD Bypass with DOL Starter
There are instances when VFDs need to be bypassed, such as during VFD maintenance or in emergencies. During these times, a motor can be connected directly to the power supply using a DOL starter with a VFD bypass feature, allowing it to operate at full speed temporarily.
Components Required
- Three-Phase Motor
- 3-P MCCB
- 2-P MCB
- Variable Frequency Drive (VFD)
- DOL Starter (based on Contactor & O/L Relay)
- 8-PIN DPDT Power Relay
- Single-Phase & Three Phase Supply
- Selector Switch for manual ON/OFF and DOL/VFD Operation
- Start and Stop pushbuttons
- Wires & Cables
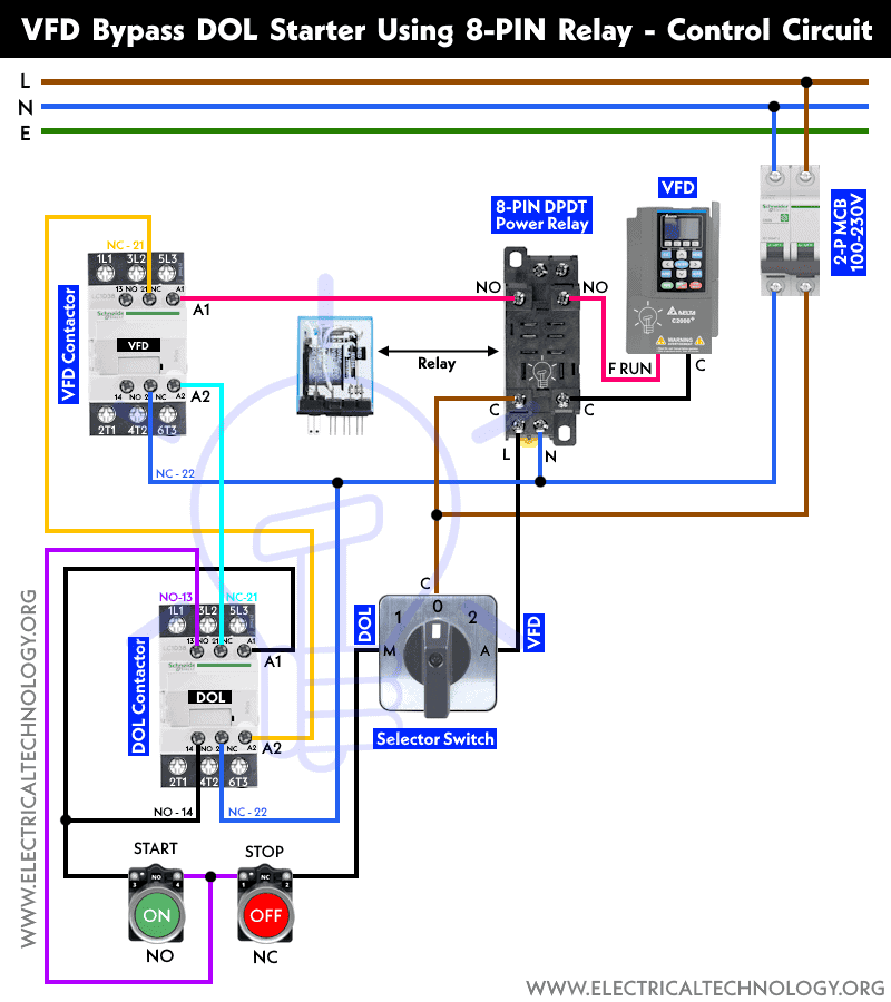
Wiring of VFD Bypass DOL Starter
Power Diagram
- Connect the three phase motor’s terminals (U1,V1,W1) via DOL starter (contactor and thermal overload relay) from 3-P MCCB to the 3-Phase 415V AC.
- Connect the VFD Input Contactor and Output Contactor to the VFD and output phases of O/L relay respectively as shown in power diagram.
Control Diagrams
Wire the control circuit as shown in below figures to bypass a VFD and run and control the motor via DOL starter.
VFD Bypass Dol Starter using Switches
VFD Bypass DOL Starter using 8-PIN Relay
Operating Sequence of bypassing VFD for DOL Starter
As the motor runs and controlled automatically by VFD. It can be manually run and control via DOL starter bypassing the VFD manually as follow.
- Operator initiates the start pushbutton (After selecting the DOL mode in selector switch).
- The control circuit activates the contactor and relay, connecting the motor directly to the power supply via DOL starter.
- The motor starts at full speed and runs without VFD control.
- When the stop push button is pressed (or moving the selector switch to the OFF position), the control circuit deactivates the contactor, disconnecting the motor from the power supply.
- Again, the motor can be run and operate by VFD if the operator moved the the selector switch to the VFD position.
Benefits and Limitations:
- Benefits: VFD bypass DOL starters offer a seamless transition between VFD-controlled and direct motor operation. They allow maintenance or emergency operation without requiring a separate bypass circuit.
- Limitations: Direct starting can result in higher inrush currents and mechanical stresses on the motor and driven load. Additionally, energy efficiency is compromised during direct operation.
Applications:
VFD bypass DOL starters find applications in industries like manufacturing, pumping, HVAC, and conveyor systems. They are particularly useful in scenarios where continuous operation is critical.
Related Posts:
- VFD Bypass Star-Delta Starter – Power and Control Circuits
- How to Wire a VFD with Motor, PLC, Switches & External Devices
- How to Run a Three-Phase Motor on Single-Phase Supply Using VFD?
- How to Reverse and Forward a Three-Phase Motor Using a VFD?
- Automatic & Manual Control of Motor Using VFD & DOL Starter
- ON / OFF 3- Phase Motor Using 8-PIN Relay and DOL Starter
- ON / OFF 3- Phase Motor Using 11-PIN Relay and DOL Starter
- ON / OFF 3- Phase Motor Using 14-PIN Relay and DOL Starter
- Automatic Star-Delta Starter using Timer – Power, Control & Wiring Diagrams
- Star – Delta Motor Control Circuit Using Omron PLC ZEN Programming Relay
- Reverse Forward Motor Control Circuit Using PLC & ZEN Programming Relay
- Reverse-Forward of 3-Phase Motor using DOL Starter
- Automatic Reverse – Forward Motor Control Circuit Using Omron CP2E PLC
- Automatic Reverse Forward Motor Control Using S7-1200 PLC
- Sequential Motor Control Circuit Using LOGO! V8 PLC
- Sequential Motor Control Circuit Using Mitsubishi FX5U PLC
- Sequential Motor Control Circuit Using Delta – DVP-14SS PLC
- Wiring of DOL Starter for Automatic / Manual Control Using Digital Timer
- How to Start & Stop a 3-Phase Motor Using Direct-On-Line (DOL) Starter?









